カートに商品がありません。

現在の中身:0点

  • 新商品
  • 仮設足場資材特集
  • チェーン・繊維ロープカット販売
  • ザバーン防草シート
  • リアリーターフ
  • 樹脂敷板
  • 荷揚げバッグ
  • 足場金物
  • くい丸
  • プラスチックパレット
  • アウトレット商品
  • お見積り依頼
  • ベルトスリング
  • アンカーボルト
  • JISブレース見積り
  • 型枠資材見積り

製品カテゴリー

  • NP掛け払い
  • お買い物の手順

カレンダー

2025年 12月
  1 2 3 4 5 6
7 8 9 10 11 12 13
14 15 16 17 18 19 20
21 22 23 24 25 26 27
28 29 30 31    
今日
2026年 01月
        1 2 3
4 5 6 7 8 9 10
11 12 13 14 15 16 17
18 19 20 21 22 23 24
25 26 27 28 29 30 31

げんばのドン トップ
吊り具 > チェーンスリング > 付属部品 > ペワッグ 3-4本吊り用親子リング VW(アイタイプ)

メーカー機能を持つコンドーテックだからできる
高品質商品を安心・安全と共にお届けします。

ペワッグ 3-4本吊り用親子リング VW(アイタイプ) ペワッグ 3-4本吊り用親子リング VW(アイタイプ)
ペワッグ 3-4本吊り用親子リング VW(アイタイプ) ペワッグ 3-4本吊り用親子リング VW(アイタイプ)
拡大画像

ペワッグ 3-4本吊り用親子リング VW(アイタイプ)

北海道・沖縄・離島へのお届けは別途送料が発生します。事前にご連絡ください。

【特長】

●カップリンクと共に3-4本吊りチェーンスリングの組立や3-4吊りワイヤロープの製作に使用します。

出荷目安:3営業日以内

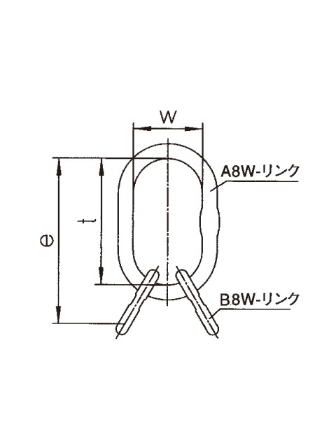
【使用荷重は吊り角度0°〜60°の場合です】
商品コード 型式 使用荷重
[tf]
e
[mm]
t
[mm]
w
[mm]
重量
[kg]
035ZPVW5 VW5 2.3 154 110 60 0.52
035ZPVW6 VW6 4.2 189 135 75 1.26
035ZPVW78 VW7-8 7.6 230 160 90 2.32
035ZPVW10 VW10 9.6 265 180 100 3.68
035ZPVW13 VW13 14.0 315 200 110 6.46
035ZPVW16 VW16 21.2 400 260 140 10.06
  • 北海道・沖縄・離島運賃別途

> 各種マークについて

  • 価格: 円(税込)
  • オプションがある商品は選択すると価格が変更されます。


  • 商品選択
  • 数量 :
  • かごに入れる すぐに購入
    • お気に入りリスト
    • 商品についての問い合わせ
    見積り依頼

    特注品ページ

    この商品についてのレビュー

    入力された顧客評価がありません
       
      ニックネーム : 評点 :
    内容 :
    レビューを書く

    ページトップへ